|應用|
適用于在高溫下易分解,聚合和變質的熱敏性物料,化工,食品,電子等行業。
|原理|
所謂真空干燥,就是將干燥物料處在真空條件下,進行加熱干燥,如果利用真空泵進行抽 氣抽濕,則加快了干燥速率。
注:如采用冷凝器,物料中的溶劑可通過冷凝器加以回收;如采用SK系列水環真空泵或ZS WJ系列水力噴射真空泵機組,可不用冷凝器,節省能源投資。

|特點|
* 真空下物料溶液的沸點降低,使蒸發器的傳熱推動力增大,因此對一定的傳熱量可以節省蒸 發器的傳熱面積。
* 蒸發操作的熱源可采用低壓蒸汽或廢熱蒸汽。
* 蒸發器熱損失少
* 在干燥前可進行消毒處理,干燥過程中無任何不 純物混入,符合GMP要求。
* 屬于靜態真空干燥器,故干燥物料的形體不會損失。
|
|技術參數|
| 名稱\規格 |
YZG-600 |
YZG-800 |
YZG-1000 |
YZG-1400A |
FZG-15 |
| 干燥箱內尺寸 |
Ø600×976 |
Ø800×1247 |
Ø1000×1527 |
Ø1400×2054 |
1500×1400×1220 |
| 干燥箱外尺寸 |
1135×810×1020 |
1700×1046×1335 |
1639×1190×1500 |
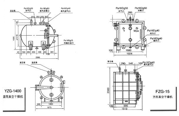
2386×1675×1920 |
1513×1924×2060 |
| 烘架層數 |
4 |
4 |
6 |
8 |
8 |
| 層間距離 |
81 |
82 |
102 |
102 |
122 |
| 烘盤尺寸 |
310×600×45 |
520×410×45 |
520×410×45 |
460×640×45 |
460×640×45 |
| 烘盤數 |
4 |
8 |
12 |
32 |
32 |
| 烘架管內使壓 |
≤ 0.784 |
≤ 0.784 |
≤ 0.784 |
≤ 0.784 |
≤ 0.784 |
| 烘架使用溫度 |
35-150 |
35-150 |
35-150 |
35-150 |
35-150 |
| 箱內空載真空度 |
-0.1 |
-0.1 |
-0.1 |
-0.1 |
-0.1 |
在-0.1MPa,加熱溫度
110° 時水的汽化率 |
7.2 |
7.2 |
7.2 |
7.2 |
7.2 |
| 用冷凝是,真空泵型號,功率 |
2X-15A 2KW |
2X-30A 3KW |
2X-30A 3KW |
2X-70A 5.5KW |
2X-70A 5.5KW |
| 不用冷凝是,真空泵型號,功率 |
SZ-0.5 1.5KW |
SZ-0.5 2.2KW |
SZ-1 2.2KW |
SZ-2 4KW |
SZ-2 4KW |
| 干燥箱重量 |
250 |
600 |
800 |
1400 |
2100 |
|
| 上述數據,僅供參考,如有特殊要求,本廠提供設計,咨詢服務。 |
| |
 |
 |
|